Število artiklov v košarici: 0
Trgovina
Kuhinje, hladilniki, sanitarije, vodovodna napeljava, priključki, črpalke
Klimatske naprave in bojlerji
Priključki in ventili
Črpalke
Palubni čepi, odtočni čepi
Brisalec stekel, električne hupe, energija, luči, žarometi
Energija
Električne plošče
Kabli in električne napeljave
Žarometi, ročne svetilke, luči in reflektorji
Notranja in zunanja razsvetljava
Razsvetljava v starem navtičnem slogu
Instrumenti, kompasi, daljnogledi, antene, elektronika
Kartiranje/uporaba pomorskih kart
Radar, GPS in signalne naprave
Globinomeri, kartografi in kombinirane naprave
Avdio/zvok in zvočniki
Varnost, šport, oblačila, čolni, dvigovanje (plovil)
Vitlo za ročno dvigovanje in spuščanje plovil
Oblačila, torbe in obutev
Boe za označevanje poti za regato
Varnostna oprema
Jadra, vrvi, pokrovi, zastave in obloge
Natezalci, ograjne žice, ograje in jadralna oprema
Occhielli bottoni e chiusure zip velcro
Rezanje vrvi, pletenje in popravila jader
Elastike in jermeni
Prekrivala, cerade in gumbi
Pokrovi, tende in dodatna oprema
Zastave in kode/signali
Pokrivala za čolne/plovila
Pritrdilna oprema/okovje
Rezervni deli za motor: propelerske elise, anode, rezervoarji, filtri
Proti-vibracijski priključki, sklopke, puše in prenosni sistemi
Pompe e giranti per motori entrobordo
Propelerji Alice za izvenkrmne motorje in krmilni sistemi
Anode fonp in tecnoseal
Pribor za izvenkrmne motorje in noge
Rezervoarji za gorivo in dodatki
Originalni nadomestni deli Mercury / MerCruiser
OEM kompatibilni nadomestni deli za Mercury / MerCruiser
OEM kompatibilni nadomestni deli za Volvo Penta
OEM kompatibilni nadomestni deli za Suzuki
OEM kompatibilni nadomestni deli za Honda
OEM kompatibilni nadomestni deli za Yamaha
OEM kompatibilni nadomestni deli za Tohatsu
Propelerji Solas za izvenkrmne motorje in krmne pogone
Impelerji in črpalke za hlajenje notranjih motorjev
OEM kompatibilni nadomestni deli za Johnson / Evinrude
OEM kompatibilni nadomestni deli za Yanmar
Krmilni sistemi, upravljanje krmil, flapi, premčni potisniki
Krmilna kolesa in volani
Enocevni in hidravlični krmilni sistemi
Manevrski propelerji – premčni potisniki
Čistila, loščila in zaščitna sredstva
Čopiči, barve, abrazivi
Ščetke, krpe, gobice in vedra
Razkužila, dezinfekcijska sredstva, zaščitna oprema, osebna zaščitna oprema (OZO)
Namizni servisi, notranja dekoracija, okrasni predmeti
Nosilci za shranjevanje
Krožniki, kozarci in jedilni pribor
Jedilni pribor in notranja oprema Marine Business
Privez, sidranje, boje in odbijači
Gambeti, karabini, vrtljive spojke, vijaki z obročem
Privezne bitve, prehodi za vrvi in nosilci
Vitli za dvigovanje sidra Quick
Vrvi in privez
Zaščitne plošče, bokobrani in profili
Univerzalni upravljalniki in rezervni deli za vitle
Kavlji in kaveljčki
Ključavnice in obešanke (viseče ključavnice)
Nerjaveči jekleni vijaki a2
Vijaki iz nerjavečega jekla A4
Navtični vijaki in dodatki v blister pakiranju
Lestve, ladijski mostički, nosilci, sedeži, obloge, zračniki
Ladijski mostički, dvigala (gruette), rollbarji
Nosilci za zastave
Nosilci za ribiške palice
Okna, strešna okna in pokrovi pvc
Lestve, ploščadi in nosilci za izvenkrmne motorje
Črpalke vode
Črpalke in dodatki za bazene za ulov (ribe)
Samosesalne črpalke 12/24 V DC z upogljivo lopatico (FIP)
Obtočne črpalke
Črpalke za črno/sivo vodo in WC-je/navtična stranišča
Radialni ventilatorji (blower) AIRV in bojlerji za plovila
Tlačne črpalke (autoclavi) in črpalke za pranje palube
- SKIPPER d.o.o. Portorož, Cesta solinarjev 2, 6320 Portorož - Portorose
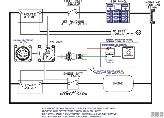
Daljinsko preklopno stikalo Bep z vzporedno rezervno povezavo
5816
Stikalo za izbiro baterije z gumbom in kositrnimi bakrenimi M10 zatiči. Omogoča, da v nujnih primerih postavite baterije vzporedno. Model VSS (napetostno občutljivo stikalo) prav tako samodejno zazna napetost in polni baterije kot da bi bila ena sama baterija ter samodejno izbere aktivni vir polnjenja. Popolno s priključkom 9–32V za daljinsko upravljanje. Testirano za vrednosti toka in skladno z zahtevami proti eksploziji.Tok = Max kapaciteta
Cene na spletni strani se razlikujejo od cen v fizični trgovini, zato so prikazane cene veljavne samo za spletno stran.
Če želite zagotoviti najugodnejšo ceno, vas vabimo, da nas kontaktirate v trgovini Skipper d.o.o. na telefonski številki 05/67 770 10 ali nam pišete na e-poštna naslova denis@skipper.si oziroma trgovina@skipper.si. Z veseljem vam bomo pripravili najboljšo ponudbo.
Če želite zagotoviti najugodnejšo ceno, vas vabimo, da nas kontaktirate v trgovini Skipper d.o.o. na telefonski številki 05/67 770 10 ali nam pišete na e-poštna naslova denis@skipper.si oziroma trgovina@skipper.si. Z veseljem vam bomo pripravili najboljšo ponudbo.